5 W Coaxial Fixed Attenuators DC-26.5 GHz Connector SMA
Description
The coaxial fixed attenuator is suitable for any need to reduce the power level or circuit matching, can quantitatively absorb the energy in the transmission line, extend the power range, control the power level, and can be configured with a small power meter, comprehensive tester or spectrum analyzer to accurately measure the power or spectrum of various RF microwave transmitters.
SMA5 series coaxial fixed attenuator average power 5W, frequency range DC-26.5GHz. It has the following characteristics: wide working frequency band, low standing wave coefficient, flat attenuation value, strong anti-pulse and anti-burn ability.
MECHANICAL SPECIFICATIONS
|
Connector Housing |
Nickel Plated Brass |
|
Inner positive conductor |
Orichalum plating |
|
Cathode conductor |
Beryllium bronze gold plating |
|
Cavity |
Aluminum shell, blackened |
|
Temperature range |
-55°C to +125°C |
|
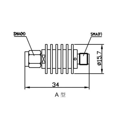
Overall dimensions |
A:Ø15.7×34mm B:Ø16.5×37.5mm |
|
Weight |
A:10g; B:13g |
Electrical performance:
| Type | Frequency (GHz) |
Attenuation value and accuracy(dB) | Max VSWR | ||||||
| 3 | 6 | 10 | 20 | 30 | 40 | 50 | |||
| SMA5-XX-3 | DC-3 | ±0.3 | ±0.3 | ±0.3 | ±0.3 | ±0.4 | / | 1.15 | |
| SMA5-XX-4 | DC-4 | ±0.3 | ±0.3 | ±0.3 | ±0.3 | ±0.4 | / | 1.15 | |
| SMA5-XX-6 | DC-6 | ±0.4 | ±0.4 | ±0.4 | ±0.4 | ±0.5 | 1 | / | 1.20 |
| SMA5-XX-8 | DC-8 | ±0.4 | ±0.4 | ±0.4 | ±0.4 | ±0.5 | 1 | 1 | 1.25 |
| SMA5-XX-12.4 | DC-12.4 | ±0.5 | ±0.5 | ±0.5 | ±0.5 | ±0.5 | ±0.5 | ±0.5 | 1.25 |
| SMA5-XX-18 | DC-18 | 0.5/+0.8 | -0.5/+0.8 | ±1.0 | ±1.0 | ±1.0 | ±1.0 | ±1.0 | 1.30 |
| SMA5-XX-26.5 | DC-26.5 | ±1.0 | ±1.0 | ±1.0 | -0.5/+1.5 | 0.5/+1.5 | 0.5/+1.5 | 0.5/+1.5 | 1.35 |
Note: XX indicates the attenuation, A type produces 3-30dB, B type produces 40,50dB
Nominal impedance: 50Ω
Average power: 5W corresponds to the ambient temperature of 25°C, when the temperature rises to 125°C, the power linearly decreases to 0.5W
Peak power: 0.5KW(5μs pulse width, 1% load cycle)
Connector form: DC-12.4:SMA(J,K) , 18-26.5G:SMA, 2.92mm





Nanjing Shinewave Technology Co., Ltd. is a company specializing in the research and development, production and sales of RF microwave active and passive components and subsystems. The company's product field covers a variety of microwave communication devices, including microwave filters, duplexers, amplifiers, frequency sources, and related subsystems, which are widely used in mobile communications and other fields.
In terms of microwave filters, the company has comprehensive products and strong design capabilities. The main products include cavity band-stop filter, waveguide filter, electrically tunable filter, multi-frequency combiner, multi-frequency combining platform POI, dielectric cavity dual-mode filter, LC filter, miniaturized comb filter, interdigital filter, etc.
In order to meet the special needs and higher index requirements of customers, in addition to standard products, we provide customized product development methods, and wholeheartedly provide customers with fast and high-quality products and services.


Shipment:

FAQ
Q1. Can I have a sample order?
A: Yes, we welcome sample order to test and check quality.
Q2. What about the lead time?
A: Sample ususally take within 3 working days.
Q3. Do you have any MOQ (minimum order quality)limit?
A: For standard product, usually 1pcs/item. For the OEM order, MOQ at least 50pcs/item.
Q4. How to proceed an order?
A: After buyer confirm the product&price is ok and ready to buy, order will be please tell us your delivery address, phone number, sometimes need email. Then we can draft the order and it will have a alibaba paying link.
Q5. After paid, what info of the supplier provided?
A: Tracking number
Q6: Do you offer guarantee and after-service for the products?
A: Yes, 6- 12 months warranty for our products. Note: We will do not take the responsibility for Man-made damage or improper operation. Delivery demage will be negotiate
Contact Us at Any Time